欢迎来到罗托克(天津)自动化技术有限公司网站!
咨询热线

13920013383

当前位置:首页  >  产品中心  >  罗托克电动执行器  >  QH电动执行机构  >  QH精小型电动执行机构

QH精小型电动执行机构

简要描述:产品概述
QH精小型电动执行机构是现代科技的结晶,其设计、*进的工艺、忧质的零咅田牛、科学而严谨的 质星检测打造了阀「曲I行器行业的神话,与此同时,它还将阀门控制带入了清度化、数字化、智能化时代,无 可厚非的成为了自动化扌空制行业的后起。

  • 产品型号:
  • 厂商性质:生产厂家
  • 更新时间:2025-08-04
  • 访  问  量: 5661

详细介绍

产品概述

QH精小型电动执行机构是现代科技的结晶,其设计、*进的工艺、忧质的零咅田牛、科学而严谨的 质星检测打造了阀「曲I行器行业的神话,与此同时,它还将阀门控制带入了清度化、数字化、智能化时代,无 可厚非的成为了自动化控制行业的后起。

QH精小型电动执行机构与同类产品相比具有的性能,无可争辩的优势,其疗津清致小巧、美观大 方,内部设计,坚韧耐磨不易损坏。

•体枳小巧:体枳只有同类产品的35% & ;

,轻便宜人:压蹦吕合金外壳"津清致流畅并能减少电磁干扰i

•清密耐感蜗轮与蜗杆结合,和谐联动,涡轮输出一体化有效的减小了连接间障,使传动清度大幅 海高i

,使用方便:免检点、免加油、防锈防水、任意角度安装i

•务重保护:电器限位、骊限位、过熬保护、除湿保护i

•速度务样:5秒、15秒、3口秒、6口秒、1W秒等i

•班空调节:高度集成智能化模块,数字设定、数字整定、自诊断高度清确,无需定位器,自掛空制,一 机务謳

•安全故障:通过AC1500V耐压检测,H级高度绝缘电机,保障机体和生产安全[

QH系列产品主要有基本型、电阻型(开度型)、智能调节型、F化型四大类,型号近百种,它可实现 与不同种类的球阀、蝶阀等部分回转型阀门相连接,输出力矩范围为可选电源有: DC24V. DC220V. AC24V. AC110V. AC220V. AC38CV

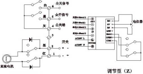
QH智能调节型电动执行器采用以工业单片机为主体,集信号采集、处理、反馈、控制为T,提言了调 节清度,进一步缩小了执行器本身的体枳。该执行器能直接接収外界输入的0 ~ 10V、1 ~ SV、井〜 20MA直流信号,并根据输入信号的具体数值来清确的调节阀门开度的大小,它具有全新的瞅孙且尼装置能消 除惯性,抑制震荡从而保证了定位高达( 1/1000 )。在调甘空制的同时输出4 ~ 20MAD。反馈信号准确有 效的显示阀门的实际开度值。它本体有LTD戒晶显示,8 e旨示灯能具体盼旨示鄢嘛作,从而让调试更加方 便准确。

• 0-10V. 1-5V. 4-20MA {DC);

•输出信号:0-10V. 1 -5V. 4-20MA {DC),对应阀门全闭~全开i

•控制清度:0-1%-3-1%可调i

參选择状态:输入信号中断时,中断状态可选择开、停、闭3种状态,控制阀门开闭方向时,有正、逆 2种状态选择i

•可与相应的传感器组合构成压力、温度、戒位等整体控制系茨。


性能参数表

功能

05

10 £11

16

25 2(

50 £11

100

200

电源

心迪} 50/60HZ 如需(AC24VAC1W . AC3B0V

DC24V DC220V )等电压订货时请厕

力电

50NM

100NM

160NM

250NM

500NM

1000NM

2000NM

时间(一$ )

1530

1S30/60

1S30/60

1S30/60

1S30/60

60

60.100

电机

15W

23W

2

5CW

90W

100W

10CW

作电流

0.25A

0.6A

0.7A

0.8A

1.2A

1.3A

1.3A


2.5KG

3.7KG

3.7KG

6.8KG

8.0KG

12KG

12KG

转动甬度

cr - 90c


-30 VC- +6CTC

耐圧情

1500AC/1 分钟

防护等鶉

IP67


电器机械

手动嗥作

咐带手柄

安装命度

任意眉度

兼注:时间指从0° - 90°程所需时间,转动珀度:指行程的珀度可間范围

选装功能

① 加热除湿器;

② 过扭矩保护;

③ 。〜10V15V420MA智能调节型f

砂体化(带现场操作)

电器原理图

image.png

image.png

image.png

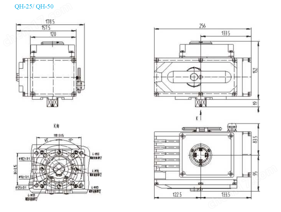
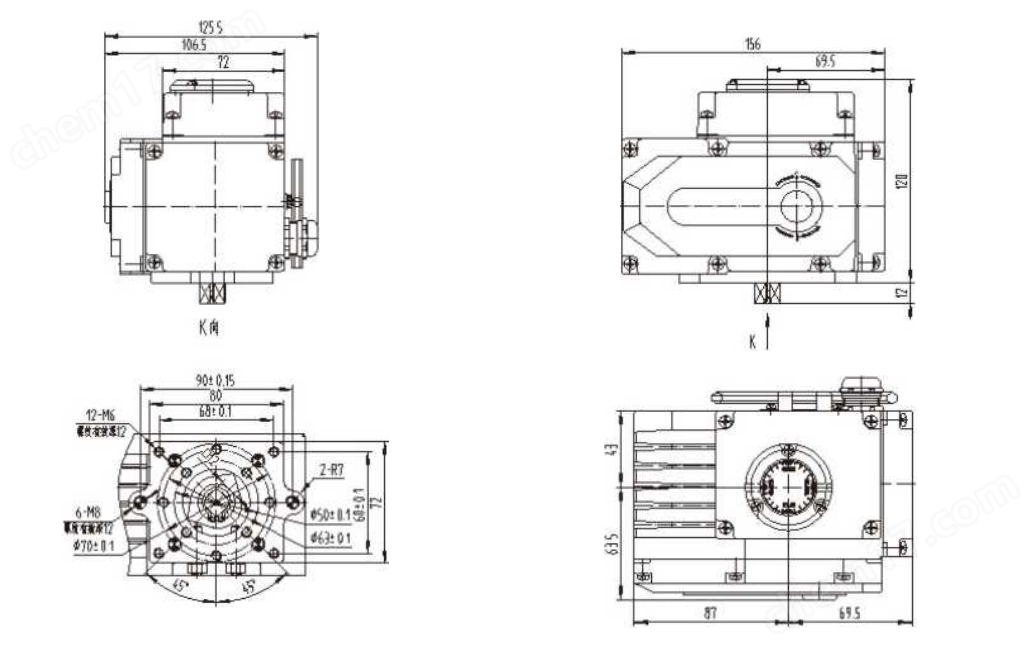
QH-05外型尺寸

image.png

image.png

image.pngimage.png


产品咨询

留言框

  • 产品:

  • 您的单位:

  • 您的姓名:

  • 联系电话:

  • 常用邮箱:

  • 省份:

  • 详细地址:

  • 补充说明:

  • 验证码:

    请输入计算结果(填写阿拉伯数字),如:三加四=7